6125系列貼片保險絲
總序/General:
• 動作快,耐沖擊能力高/Fast acting,Inrush withstand capability
• 表面貼裝式大電流熔斷器/Surface mount high current fuse.
• 電流范圍為20-60A/ vailable in ratings of 20 to 60 Amperes
• 耐電壓高、Higher voltage rating up to 100VDC
• 尺寸為10.25x3.20mm 表面貼裝/10.25mm×3.20mm square shape surface mount
• 操作溫度范圍寬,為-55°C ~125°C /-55°C ~125°C Operating temperature
•環境適應性強/ Excellent environmental integrity
•增強的熱循環耐久性/ Enhanced thermal cycling endurance
•應用場所/Application
•電池包/ attery pack
• 存儲系統/Storage system
• 供電電源/Power supply
• 計算機&外圍設備/PC &
PC peripherals
• 計算機服務器/PC server
• 冷風扇系統/Cooling fan system
• 無線基站/Wireless basestation
• 工業設備/• Industrial equipment
• 通信系統/Telecom system
• 通信系統/Telecom system
• 液晶顯示器&模塊/LCD monitor
and modules
• 醫療設備/Medical equipment
電氣性能/Electrical
Specifications
|
Part Number
|
Current Rating (A)
|
Voltage Rating (V)
|
|
6125-0.5A
|
0.5
|
125/250
|
|
6125-1.0A
|
1
|
125/250
|
|
6125-1.25A
|
1.25
|
125/250
|
|
6125-1.5A
|
1.5
|
125/250
|
|
6125-1.6A
|
1.6
|
125/250
|
|
6125-2.0A
|
2.0
|
125/250
|
|
6125-2.5A
|
2.5
|
125/250
|
|
6125-2.5A
|
2.5
|
125/250
|
|
6125-3.0A
|
3.0
|
125/250
|
|
6125-3.15A
|
3.15
|
125/250
|
|
6125-3.5A
|
3.5
|
125/250
|
|
6125-4.0A
|
4.0
|
125/250
|
|
6125-5.0A
|
5.0
|
125/250
|
|
6125-6.3A
|
6.3
|
125/250
|
|
6125-7.0A
|
7.0
|
125/250
|
|
6125-8.0A
|
8.0
|
125/250
|
|
6125-10.0A
|
10.0
|
125/250
|
|
6125-12.0A
|
12.0
|
125/250
|
|
6125-15.0A
|
15.0
|
125/250
|
|
6125-20.0A
|
20.0
|
125/250
|
|
6125-6.3A
|
6.3
|
125/250
|
|
6125-6.3A
|
6.3
|
125/250
|
更多參數如分斷能力Interrupting
Rating (V)、直流電阻Typical Cold DCR* (mΩ)、熔化熱能值Typical I2T ** (A 2sec) 請電聯。
* Measured at≤10% rated current and 25℃
** MeltingI2 T at 10 times of rated current
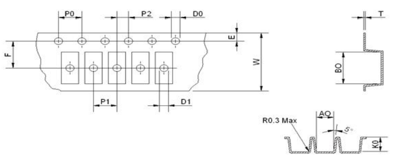
產品尺寸/ Dimensions:

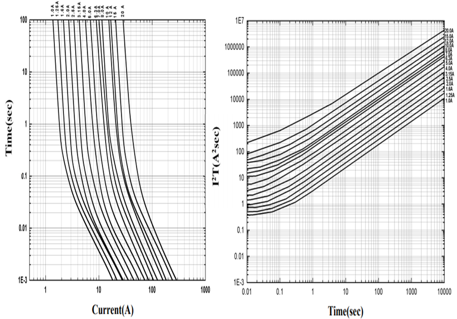
Time Current Curve I2T VS Time Curve

電氣特性/Electrical Characteristics
|
Type
|
Ampere Rating
|
% of Current Rating
|
Opening Time
|
|
6125
|
0.5A~20A
|
100
|
Min.4hours
|
|
0.5A~20A
|
200
|
Max.120sec
|
|
0.5A~20A
|
125
|
1hour Min.
|
溫度脫脂曲線/Temperature Derating Curve

包裝Packaging
• 真空包裝,每卷1000個/1000 pieces of fuses in emboss taper and reeled on a
178mm(7 inch) reel

|
Type
|
A0(mm)
|
B0(mm)
|
K0(mm)
|
P0(mm)
|
P1(mm)
|
P2(mm)
|
|
6125
|
2.70±0.10
|
6.40±0.10
|
2.70±0.10
|
4.00±0.10
|
4.00±0.10
|
2.00±0.10
|
|
Type
|
E(mm)
|
F(mm)
|
D0(mm)
|
D1(mm)
|
W(mm)
|
T(mm)
|
|
6125
|
1.75±0.10
|
5.50±0.10
|
1.50±0.10
|
1.50±0.25
|
12.00±0.15
|
0.25±0.05
|
儲存/Storage
該產品儲存室內溫度是5℃-30℃,濕度是25%RH~60%RH
,用密封的塑料袋,真空包裝,遠離有害氣體跟化學物。使用的時候再打開./•The ambient temperature recommended for
storage shall be between 5℃~30℃. •The relative humidity recommended for
storage shall be between 25%RH~60%RH. •Sealed plastic bags with desiccant shall
be used to reduce the oxidation of the termination and shall only be opened
prior to use. •The products shall not be stored in areas where harmful gases
containing sulfur or chlorine are present.
|