KI6AP/KI3MP is a thermal protector which able to protect current and temperature at the same time. It can control the current overflow and surge curnent precisely to avoid damage to the motor.
Characteristics:
Small in size, Longevity, and reliable
Use good current conductive bimetal to make sure it can sustain the normal circulate current requirement
The combination of bimetal and fuse make a fast tripping
Precise tripping time, avoid the motor temperature to get overheated
Contain dual functionality which is it can based on current & temperature to react.
Every component had been certify by ROHS from Europe and environmental protection standard
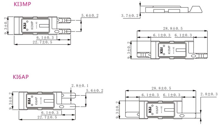
A variety of terminal to choose from, terminal in one end (KI6AP-A), or terminal in both end (KI6AP-B)
Can base on customer request customize
Applicable Scope
Car windows motor, skylight windows motor, antenna motor
Wiper motor, automatic gate motor, regulator motor
Washing machine, vacuum cleaner, gardening accessories。


|